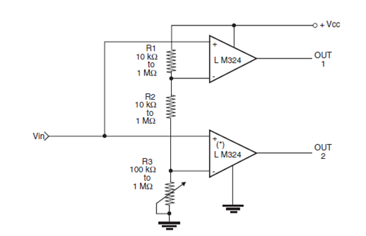
Dos comparadores se pueden utilizar para detectar dos niveles de tensión diferentes ajustados en R3 y determinados también por R1 y R2. En la figura mostramos cómo hacerlo. Se pueden utilizar otros comparadores. El circuito es del libro Robotics, Mechatronics y Artificial Intelligence de Newton C. Braga.




