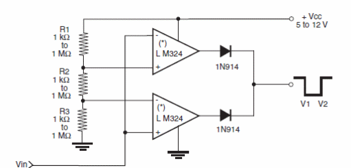
Este circuito tiene la salida yendo al nivel bajo cuando las tensiones de entrada están en el rango de referencia determinado por los tres resistores. Vea en la sección de matemáticas cómo calcular estos componentes; Se pueden utilizar otros comparadores. El circuito es del libro Robotics, Mechatronics y Artificial Intelligence de Newton C. Braga.




