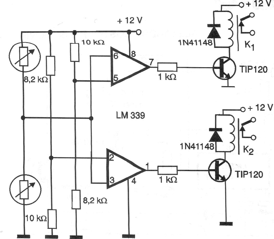
Este circuito puede servir como base para un proyecto que involucra inteligencia artificial para un robot u otro dispositivo. El circuito consiste en un comparador que se activa por las señales de dos LDR. La ventana de paso de las señales y accionamiento de los relés es determinada por los resistores. El circuito se alimenta con 12 V que es la tensión de los relés, pero también funciona con 6 V usando relés para esta tensión. Los transistores pueden ser los BC548 para relés de hasta 100 mA.




