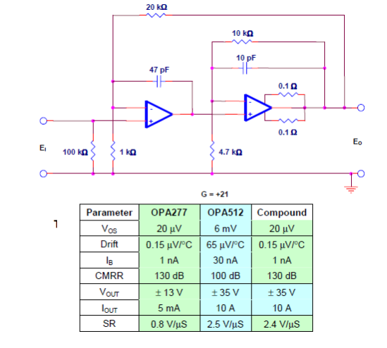
5834S)Amplificador Compuesto (CIR
Esta aplicación de una documentación de Texas Instruments muestra cómo se compone un circuito con amplificadores operacionales con características de baja resistencia de entrada y buena potencia de salida. El circuito fue sugerido en una aplicación de referencia de 2016. La tabla junto al diagrama muestra las características obtenidas.




