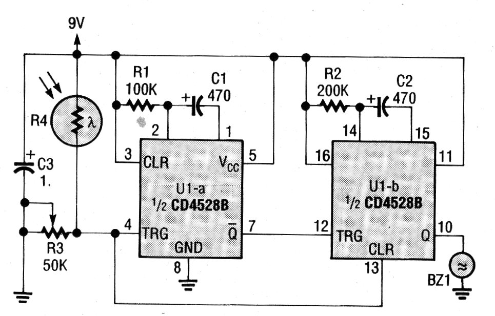
Este circuito dispara un bocadillo de bajo consumo cuando el LDR permanece iluminado por más que el tiempo dado por R1 y C2. El circuito utiliza un LDR como sensor y tiene su sensibilidad ajustada en R3. Encontramos esta configuración, que sirve como alarma de heladera en un Poptronics de 1992.




