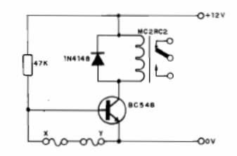
Cuando cualquiera de los sensores se abre, el relé cierra sus contactos alimentando una sirena u otro dispositivo externo de advertencia. El circuito puede ser alimentado con 12 V si el relé es para esta tensión, pero también funcionará con relés y alimentación de 6 V. En la condición de espera el consumo es muy bajo, pudiendo ser utilizadas pilas en la alimentación. En la CIR242 la versión de este circuito que hace uso de un SCR.




