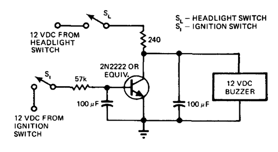
Este circuito consiste en un recordatorio para conductores que dejan los faros encendidos y el coche no tiene el recurso de avisarle. El circuito es de una publicación de 1975 y el bocadillo es del tipo que posee oscilador interno como el Sonalert.

Este circuito consiste en un recordatorio para conductores que dejan los faros encendidos y el coche no tiene el recurso de avisarle. El circuito es de una publicación de 1975 y el bocadillo es del tipo que posee oscilador interno como el Sonalert.
