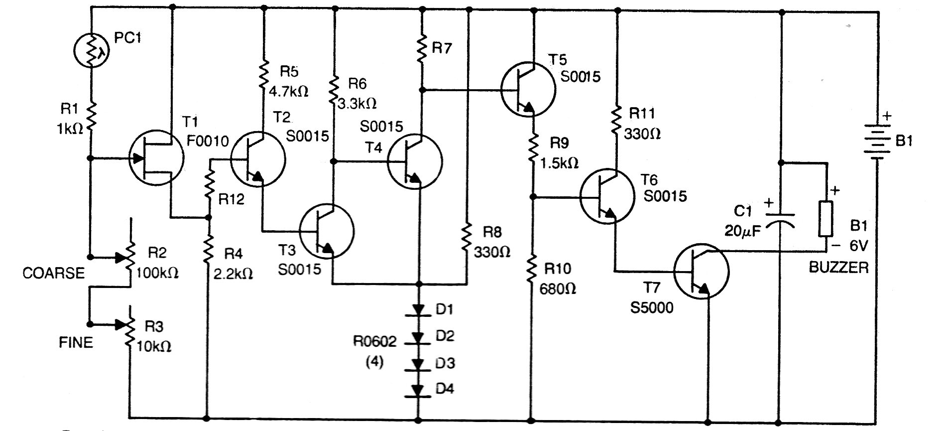
Este circuito fue encontrado en una publicación americana de los años 70, pero puede ser montado con componentes equivalentes más modernos. El circuito utiliza un LDR para detectar el fuego y los transistores pueden ser el BF245 para el FET, BC548 para T2 a T6 y un BD135 para T7, accionando un bocadillo de alta potencia u otro dispositivo. El circuito también se puede adaptar a 12 V y los diodos son 1N4148 o 1N4002. El circuito tiene dos ajustes, uno normal y un ajuste fino. El condensador C1 puede ser de 22 uF y alimentación hecha por batería o fuente.




