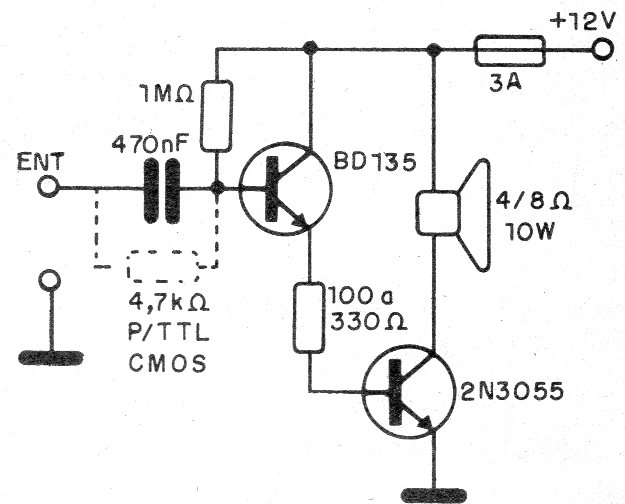
Sirenas o pulsadores sonoros con los circuitos integrados 555, 4093, otros de la familia TTL y CMOS pueden tener una etapa de gran potencia como la indicada abajo. El transistor debe estar dotado de un disipador de calor y el altavoz debe ser pesado con al menos 10 cm de diámetro. El circuito se puede utilizar como shield de sonido.




