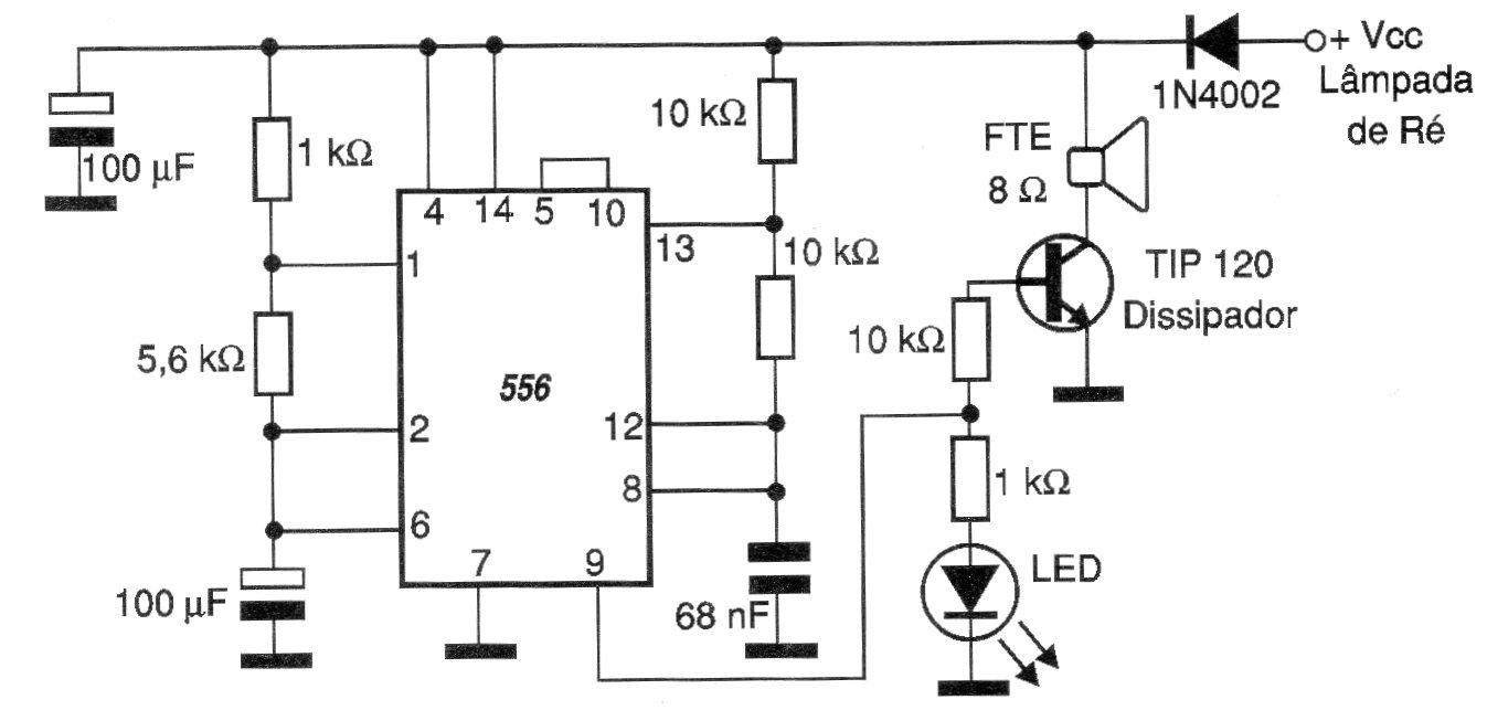
Este circuito sirve de aviso de revés para el coche. Cuando se acciona a revés, el circuito dispara una señal sonora que avisa a quién está detrás del coche que el vehículo va hacia atrás. El circuito consta de dos osciladores, el primero hará el accionamiento del siguiente que va a accionar y cortar la salida del altavoz de 8 ohmios. El circuito es alimentado por la tensión de 12 V de la luz de retroceso. Cuando la luz de retroceso accede, el circuito será alimentado. Un diodo de protección contra la inversión de polaridad protege el circuito de la alarma. Los cambios en el tiempo de accionamiento de la señal sonora como tono se pueden hacer en los valores de los capacitores y resistores conectados a los pinos 1,2,6 y 13,12 y 8 del CI-556, que es un doble 555. Utilizar un disipador de calor pequeño en el TIP120. El circuito se puede colocar en una caja plástica e instalada en el parachoques trasero donde se encuentra la lámpara de retroceso.




