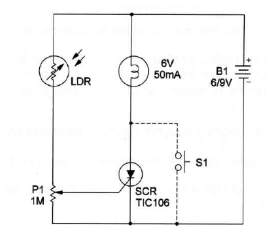
Esta simple alarma de luz se dispara cuando la luz incide en el sensor. El circuito se bloquea y se restablece presionando S1 por un instante, pero no debe haber más luz incidente en el sensor. En lugar de la lámpara indicadora se puede usar un relé recordando que hay una caída de 2 V en el SCR. El ajuste de sensibilidad se realiza en P1. El circuito es del libro Fun Projects for the Experimenter de Newton C. Braga.




