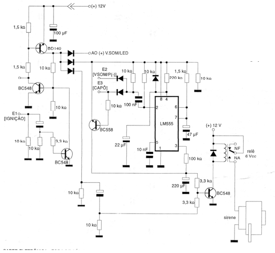
El circuito de una documentación de 1998 tiene dos bloques. Uno de ellos arma y desarma un circuito monoestable que tiene la función de disparo. El otro es la alarma propiamente dicho que se basa en un 555 controlando un relé. El circuito fue proyectado para relés de 12 V, siendo esta su alimentación.




