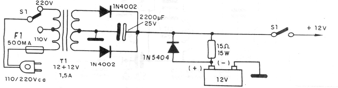
Esta fuente originalmente creada para el proyecto CIR9726, pero sirve para cualquier tipo de alarma de 12 V. El circuito proporciona 12 V a la alarma, al tiempo que mantiene una batería en carga. Cuando la energía se corta, la batería continúa suministrando energía al circuito de alarma.




