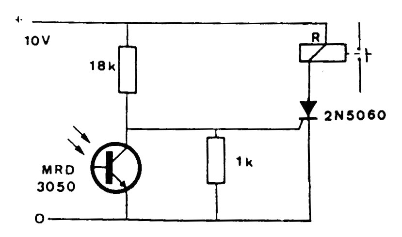
Este circuito dispara un relé u otra carga de corriente continua cuando la luz deja de incidir sobre el foto-transistor. Se puede utilizar un potenciómetro de 47k en serie con un resistor de 4k7 en lugar del resistor de 18k como control de sensibilidad.




