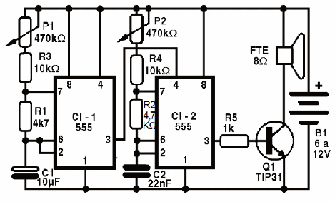
Este circuito produce un sonido intermitente pulsante en frecuencia que se puede ajustar en P1. La frecuencia del tono se puede ajustar en P2. El circuito funciona con tensiones de 6 a 12 V y con tensiones de 12 V el transistor debe estar dotado de radiador. El circuito se puede utilizar en alarmas y sistemas de advertencia. Para menor potencia, alimentando con 6 o 9 V, se puede utilizar un transistor BD135,




