Este preamplificador - bastante simple - puede servir para excitar amplificadores comunes con la señal de micrófonos de diversos tipos o cápsulas.
Usamos sólo un transistor para amplificar la señal, en esta configuración elemental alimentada por sólo 6 volts. Si utiliza un micrófono improvisado, desde un altavoz, y no consigue suficiente excitación del amplificador, con este paso las cosas mejoran mucho. (figura 1)
El transistor puede ser cualquier NPN de uso general como el BC548, y los capacitores son cerámicos.
Para no tener captación de zumbidos, los cables de entrada y salida deben ser blindados con la malla conectada al negativo de la fuente.
Si hay tendencia a distorsión, se puede cambiar R2 en el rango de 2k2 a 22k, para obtener el mejor rendimiento.
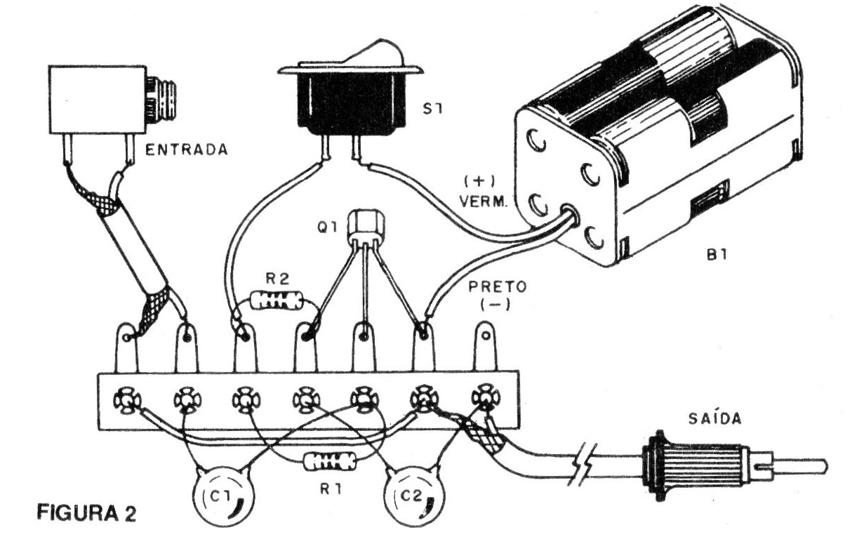
La salida se debe conectar a la entrada del amplificador (AUX). En el montaje (figura 2), observe la polaridad de las pilas. En realidad, la alimentación puede ser hecha con tensiones entre 6 y 12 voltios, sin necesidad de modificaciones de valores de componentes.
LISTA DE MATERIAL
Q1 - BC548 o equivalente - transistores NPN de uso general
C1, C2 - 100 nF (104) - capacitores cerámicos
R1 - 1 M x 1/8 W - resistor (marrón, negro, verde)
R2 - 10 k x 1/8 W - resistor (marrón, negro, naranja)
S1 - interruptor simple
B1 - 6 V - 4 pilas pequeñas
Varios: puente de terminales, jack y enchufes, soporte para 4 pilas, cables blindados, hilos, soldadura, etc.





