Este proyecto didáctico de corto alcance emite señales para una radio cercana sintonizada tanto en la banda de ondas medias como cortas, dependiendo sólo de la bobina. Se trata de una buena sugerencia para el trabajo escolar o incluso de telecomunicaciones o electrónica de los primeros años.
El circuito presentado consiste en un simple oscilador Hartley con un transistor y con una pequeña antena transmite sus señales a receptores situados hasta algunas decenas de metros.
La transmisión es CW o onda continua, usada en telegrafía, sirviendo para demostraciones de cómo funciona esta modalidad de comunicación.
Vea más en Telegrafía en el sitio para informaciones completas sobre esta modalidad de comunicación.
El circuito es alimentado por pilas comunes y todos los componentes son de bajo costo.
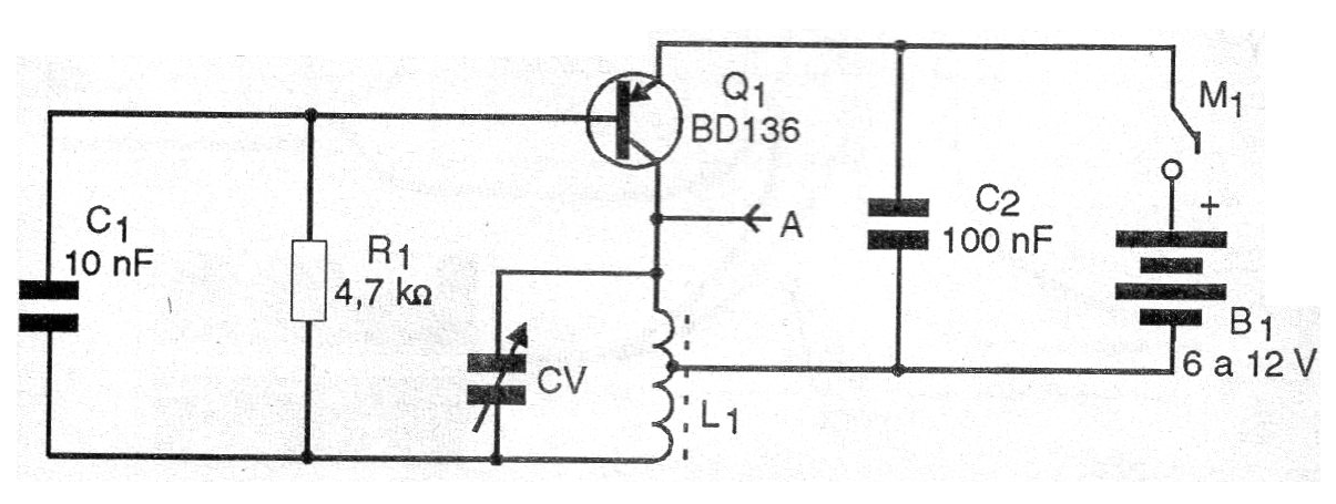
En la figura 1 tenemos el diagrama completo del transmisor.
En la figura 2 tenemos el montaje en puente de terminales, aunque el circuito también puede ser montado en matriz de contactos.
Para el rango de ondas medias L1 consiste en 80 espiras de hilo 28 o incluso un cable telefónico rígido en un bastón de ferrita, con toma central.
Para operar en la banda de onda corta entre 5 y 15 MHz enrole 20 + 20 o 15 + 15 espiras del mismo hilo en el mismo palo.
Los capacitores son cerámicos y el capacitor variable se aprovecha de una vieja radio AM fuera de uso.
Para alimentación con 12 V, cuando se obtiene mayor alcance, el transistor debe estar dotado de un pequeño disipador de calor.
Si se utiliza fuente, debe tener al menos 600 mA de capacidad de corriente.
El manipulador puede ser improvisado, o construido según muchos proyectos que describimos en este sitio.
La antena puede ser un hilo estirado de 1 a 5 metros de longitud.
Lista de material
Q1 - BD136 - transistores PNP de potencia
L1 - Bobina - ver el texto
CV - capacitor variable - ver texto
C1 - 10 nF - capacitor de cerámica
C2 - 100 nF - capacitor de cerámica
B1 - 6 o 12 V - pilas o fuente - ver texto
M1 - manipulador - ver texto
R1 - 4k7 ohms x 1/8 W - resistor - amarillo, violeta, rojo
Varios:
Puente de terminales o matriz de contactos, bastón de ferrita, soporte de pilas o fuente, hilos, soldadura, etc.





