En esta serie de Mini-Proyectos damos montajes simples que pueden ser realizados por principiantes con poco costo. Son montajes interesantes, didácticos o de pequeñas utilidades que sirven para perfeccionar los conocimientos de todos los que se interesan por la electrónica.

   El parpadeante indicador propuesto se puede instalar en juguetes de maquetas y modelos, sirviendo para dar un realismo mayor.

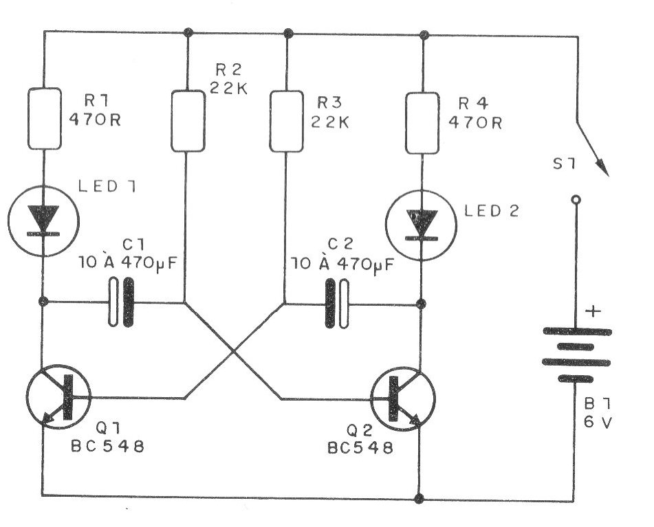
   Los LED usados, que pueden ser ambos rojos o de otros colores, parpadean alternativamente a una velocidad que depende de C1 a C2. El lector puede elegir los valores según desee parpadear más rápido o más lento.

   Los valores más grandes dan un parpadeo más lento. Sugerimos como punto de partida para experimentos los valores de 47 uF.

  El montaje se realiza en un pequeño puente de terminales y la alimentación viene de 4 pilas pequeñas.

   En el montaje será necesario observar la posición de los LED y de los transistores así como la polaridad de las pilas y de los electrolíticos C1 a C2.

   Si desea modificar la velocidad de los parpadeos, experimente cambios en el valor de C1 a C2.

 

 


| Clique na imagem para ampliar |

 

 

 


| Clique na imagem para ampliar |

 

 

 

Lista de material

 

Q1, Q2 - BC548 o equivalente transistores NPN

LED1, LED2 - LED rojo o de otros colores

B1 - 6 V - 4 pilas pequeñas

R1, R4 -470 ohms x 1/8 W- resistores (amarillo, violeta, marrón)

R2, R3 - 22 k x 1/8 W - resistores (rojo, rojo, naranja)

C1, C2 - 10 a 470 uF x 6 V o más - capacitores electrolíticos

Varios: soporte de pilas, interruptor (S1), puente de terminales, hilos, soldadura.