Un circuito muy buscado por los lectores es lo que hace el encendido de la lámpara, accionamiento de motores, etc., cuando se oscurece, o sea, cuando la luz deja de incidir en un elemento sensible. Este circuito puede ser usado en boias de señalización, sistema de iluminación automática de jardines y vitrinas, etc.
En la figura 1 tenemos una solución muy simple para esta aplicación, utilizando sólo dos transistores y teniendo como elemento sensible, un LDR común.
El LDR se conecta entre la base y el negativo de la alimentación del primer transistor para desviar la corriente cuando se ilumina. En la oscuridad, la corriente llega a la base del transistor siendo amplificada y accionando el relé.
El circuito en cuestión funciona tanto con 6 como con 12 V, habiendo sólo el cambio del relé.
La alimentación para el circuito de carga (B2) puede realizarse con tensiones entre 3 y 22OV, respetando sólo los límites de corriente.
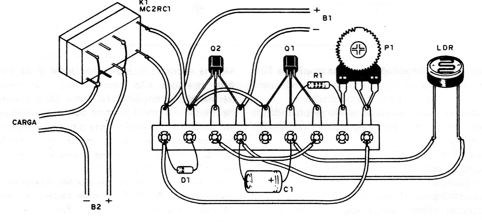
En la figura 2 damos una sugerencia de montaje en puente para este circuito.
El ajuste del punto de funcionamiento (sensibilidad) se realiza en P1.
Se recomienda que el LDR se instale en un tubo opaco, dirigido hacia el cielo, si el aparato funciona como interruptor crepuscular.
El capacitor C1 da una cierta inercia al dispositivo, evitando su disparo por pulsos de corta duración, como los que pueden ocurrir durante una tormenta nocturna. Un relámpago no haría de este modo el disparo aleatorio del circuito, desactivando la carga.
De la misma manera, el paso rápido de una sombra fuerte tampoco causaría el encendido de las lámparas.





