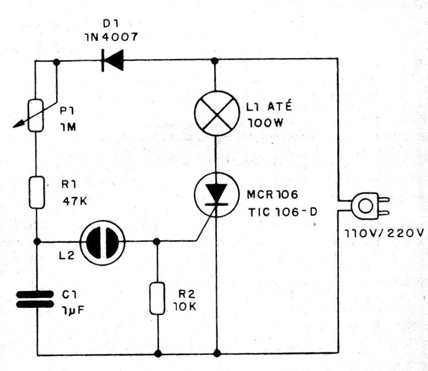
Este parpadeante electrónico puede accionar lámparas comunes de 5 a 100 watts, pudiendo ser utilizado en la decoración o señalización de puertas de garajes u otras aplicaciones interesantes. La frecuencia de los intermitentes de la lámpara se ajusta en el potenciómetro P1 y puede tener su rango cambiado por el cambio de C1. El circuito puede ser alimentado tanto por 110 V como 220 V, bastando con el SCR de tensión correspondiente. Newton C. Braga
Lea más:
Para 110 V el SCR debe tener una tensión especificada de 200 V y para 220 V debe ser de 400 V. Para lámparas superiores a 40 vatios, debemos montar ese componente en un pequeño radiador de calor que consiste en una placa de metal atornillada en su envoltura.
Nota: Este circuito sólo funciona con lámparas incandescentes
Esta plancha debe ser de al menos 4 x 4 cm.
El conjunto de piezas se puede montar en una cajita y la lámpara se puede fijar en la parte superior de esta caja como conectada remotamente por un par de hilos aislados.
La lámpara neón de disparo es importante, ya que determina el punto de conducción del SCR.
MONTAJE
En la figura 1 tenemos el diagrama completo del parpadeante.
En la figura 2 tenemos la versión en puente de terminales.

El capacitor C1 debe ser de poliéster o cerámico con tensión de trabajo de al menos 100 V. Las resistencias son de 1/8 W y P1 puede ser lineal y logarítmico.
Para parpadeos más rápidos, reduzca el valor de C1 a 220 nF o incluso 100 nF.
LISTA DE MATERIAL
SCR - MCR106 (200 V o 400 V)
P1 - 1M - pote
L1 - lámpara común de 5 a 100 vatios
L2 - lámpara neón NE-2H o equivalente
D1 - 1N4007 - diodo rectificador de silicio
R1 - 47k x 1/8 W - resistencia (amarillo, violeta, i naranja)
R2 - 1ok x 1/8W - resistor (marrón, negro, naranja)
C1 - 1 uF - capacitor de poliéster o cerámico para 100 V
Varios: cable de alimentación, zócalo para lámpara, puente de terminales, caja para montaje, hilos, soldadura, etc.




