Al montar este circuito en una matriz de 170 puntos podemos aprender cómo una configuración de oscilador con el circuito integrado 4093 puede tener su frecuencia controlada por un LDR.
Como sabemos, la frecuencia del oscilador con el 4093 es determinada tanto por el capacitor como por el resistor.
Se forman un circuito de tiempo de onda la constante de tiempo RC determina el tiempo en que se oscila, o sea T = R x C.
Si conectamos en serie con el resistor un LDR, la resistencia del LDR se suma a la resistencia de este componente, y como depende de la luz, la constante de tiempo cambia con la luz.
Así, en la oscuridad, el LDR presenta una resistencia mayor y con ello aumenta la constante de tiempo con la disminución de la frecuencia de los intermitentes.
En el claro tenemos menor resistencia del LDR y con ello el circuito oscila más rápido.
Montaje
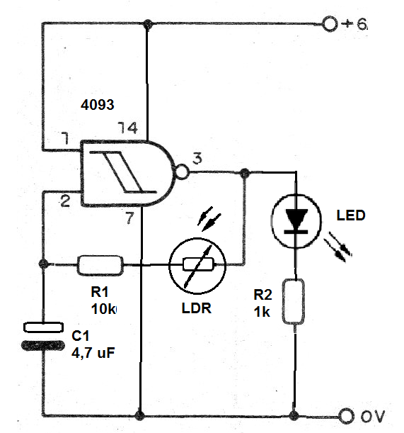
En la figura 1 tenemos el circuito completo del intermitente que activa un LED utilizando el circuito integrado 4093 y teniendo su frecuencia controlada por la luz que incide en el LDR.

El montaje del circuito en la matriz de contactos se muestra en la figura 2.
Al realizar el montaje, es importante observar la posición del circuito integrado y al encajarlo, hacerlo con mucho cuidado para que todos los pines queden alineados con los agujeros.
Cuando presionamos el circuito integrado todos los pines deben encajar sin esfuerzo. También debemos observar la posición del LED y la polaridad del capacitor electrolítico.
Lista de material
CI-1 - 4093 - circuito integrado
LED1 - común
LDR - LDR común
R1 - 10 k ohms - resistor - marrón, negro, naranja
R2 - 1 k ohms - resistor - marrón, negro, rojo
C1 - 4,7 uF a 22 uF - capacitor electrolítico
B1 - 6 V - 4 pilas
Varios:
Matriz de contactos, soporte de pilas, hilos, etc.




