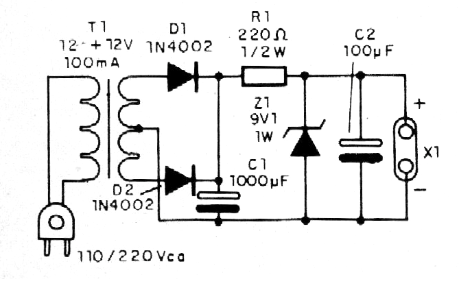
Con este circuito podemos alimentar pequeños aparatos que usan baterías de 9 V a partir de la red de energía, con una buena economía. El circuito sirve para aparatos que tengan corrientes hasta unos 50 mA. La ventaja de este circuito sobre muchos eliminadores está en el uso del transformador que proporciona seguridad y en la regulación por diodo zener.
El circuito utiliza un transformador de 9 + 9 V de secundario con corriente entre 50 y 200 mA. El diodo zener es de 1 W y en la salida debemos utilizar un conector o enchufe de acuerdo con el aparato que va a ser alimentado. En la figura 1 tenemos el circuito completo del eliminador.
El resistor R1 eventualmente debe tener disipación de 1 W si el consumo del aparato alimentado es elevado y tiende a calentarse. Observe bien la polaridad del conector de salida. En la figura 2 tenemos el montaje utilizando un puente de terminales.
Si el aparato alimentador tiende a roncos, por ejemplo, un radillo, aumente el valor de C1.
Lista de material
D1, D2 - 1N4002 o equivalente - diodos de silicio
Z1 - 9V1 - diodo zener de 1 W
T1 - Transformador con un rango de 110 V o 220 V y secundario de 9 V x 50 a 200 mA
R1- 220 ohms x ½ W - resistor - rojo, rojo, marrón
C1- 100 uF a 1 000 uF x 12 V - capacitor electrolítico
X1- Conector según el aparato alimentado o enchufable
Varios: puente de terminales, cable de fuerza, caja para montaje, hilos, soldadura, etc.





