Si un solo transistor no ofrece amplificación suficiente para las señales captadas por la antena se pueden utilizar dos de ellos, conectados de tal modo que la señal amplificada por el primero pasa al segundo y después de retirarse del segundo va al auricular.
Los radios de este tipo se operan con antenas largas en lugares que existen estaciones fuertes ya pueden incluso alimentar un altavoz en lugar de un simple auricular.
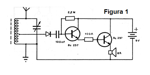
En la figura 1 mostramos el circuito de una radio simple de este tipo en que los transistores se acoplan de modo directo, es decir, la señal es retirada no de la manera convencional que es por el colector del primer transistor, sino de su emisor siendo entonces llevado directamente a la base del segundo transistor.

Si un transistor amplifica la señal 50 veces y el otro también el resultado neto será una ampliación de la señal de 50 x 50 = 2 500 veces.
Los transistores usados en la radio que damos como ejemplo pueden ser del tipo BC237 o BC547.
La alimentación puede ser de 6 V (4 pilas pequeñas).
El funcionamiento de esta radio es el siguiente: las señales interceptadas por la antena son todos llevados a los circuitos de sintonía formado por el capacitor variable y la bobina donde entonces sólo queda la señal de la estación que se desea oír.
La señal de esta estación es llevada al diodo donde ocurre su detección quedando entonces en el circuito sólo la señal de audio correspondiente, o sea, la corriente de baja frecuencia correspondiente al sonido de la estación.
Esta corriente se aplica a la base del primer transistor donde recibe su amplificación inicial. La señal llega a la base del transistor a través de un capacitor y que también en este elemento hemos conectado un resistor. Este resistor tiene por función polarizar la base del transistor, o sea, dejarla con una tensión de valor tal que permite el funcionamiento correcto del componente como amplificador.
La señal extraída del transmisor del transistor se lleva a la base del segundo transistor donde recibe una nueva amplificación.
Aquí el lector tiene dos opciones para conectar el auricular o el altavoz. Esto se puede conectar en el emisor o en el colector del transistor según sus características. Si se conecta al emisor el auricular o el altavoz debe ser de baja impedancia y si está conectado al colector debe ser de alta impedancia.
Como el altavoz es un dispositivo de baja impedancia su conexión al colector debe ser hecha por medio de un transformador de salida conforme muestra la figura 2.

Un problema que puede ocurrir con este tipo de receptor y la quema del segundo transistor cuando la corriente que circula por él es muy alta. Siendo este transistor conectado para operar casi en el límite de su capacidad esta posibilidad de sobrecarga existe. El lector que haya montado una radio de éste o que ya haya visto un funcionando podrá percibir que el segundo transistor funciona levemente calentado.



