¿Alguna vez imaginó la posibilidad de oír la luz? ¿Qué interesantes descubrimientos podrías hacer saliendo por ahí empuñando un oído electrónico capaz de transformar en sonido la luz visible e incluso la luz invisible, como el infrarrojo?
Es esta posibilidad que le damos con un proyecto simple que se basa en un circuito integrado y es alimentado por pilas comunes.
Lo que tenemos es un amplificador de audio y en su entrada conectamos un sensible fototransistor (de cualquier tipo) que se caracteriza por responder tanto al espectro visible, así como a las radiaciones infrarrojas e incluso ultravioletas.
Apuntando el sensor a una lámpara fluorescente, por ejemplo, oiremos el ronco de la red de energía, que hace que el gas en su interior vibrar con una ionización alternante.
Señalando a una pantalla de TV tradicional analógica, oiremos el sonido agudo de la exploración y de las oscilaciones de la imagen y, conjuntamente, el tono grave de los cambios de cuadro.
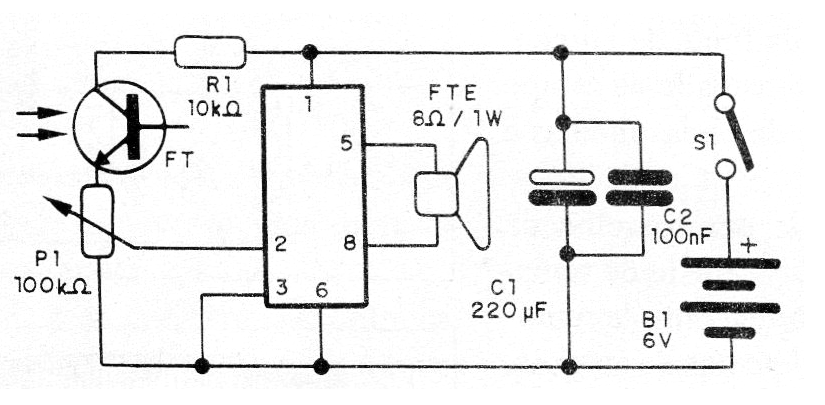
El circuito completo del aparato para escuchar la luz se muestra en la figura 1.
En la figura 2 tenemos la disposición de los componentes en una placa de circuito impreso.
El conjunto cabe en una pequeña caja plástica cuyas dimensiones deben ser elegidas de acuerdo con el soporte de pilas y el pequeño altavoz de 5 cm o próximo.
Como sensor, podemos usar cualquier fototransistor común. El altavoz pie pequeño de 8 ohms y las pilas pequeñas alcalinas se indican para la alimentación.
El potenciómetro P1 actúa como control de sensibilidad y no es crítico pudiéndose utilizar tipos de 10k a 100k ohms. Para probar el aparato, basta con apuntar el sensor a una lámpara fluorescente y abrir el volumen. Debe haber la reproducción de un ronquido.
Lista de material
CI-1 - TDA7052 - Circuito integrado
FT - Fototransistor
R1 - 10k ohms - resistor - marrón, negro, naranja
P1 - 1 M ohms - Potenciómetro
C1- 220 uF x 6 V-capacitor electrolítico
S1 - Interruptor simple
FTE - 8 ohms - altavoz de 5 cm
B1- 6 V- 4 pilas pequeñas
Varios:
Placa de circuito impreso, caja para montaje, hilos, soldadura, etc.





