Es un circuito simple que se puede conectar a la salida de cualquier aparato de sonido para hacer un instrumento "balancear" al ritmo de la música.
El instrumento utilizado es un microamperímetro de 0 a 200 uA o un valor cercano a éste, ya que el proyecto no es crítico. Este instrumento, de bajo costo, puede incluso ser aprovechado de algún equipo que el lector tenga fuera de uso.
El circuito se conecta en paralelo con la salida de los altavoces de los dos canales del aparato de sonido (uno para cada uno si el aparato es estéreo si el reproductor lo desea).
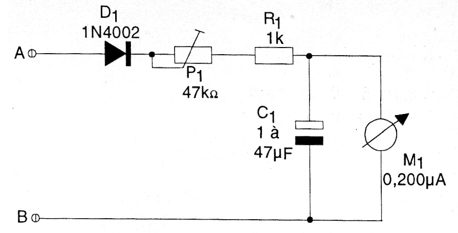
El único ajuste a realizar es de un trimpot que tiene por objeto encontrar la sensibilidad del circuito de acuerdo con la potencia del aparato de sonido. En la figura 1 tenemos el diagrama completo del VU-meter simple.
La disposición de los componentes en un puente de terminales se muestra en la figura 2.

El conjunto se puede colocar en el interior de una caja plástica o incluso adaptada a la caja del amplificador o equipo de sonido que el lector posea. En el caso, puede ser "incrustado en el panel" o de otro modo, según el gusto de cada uno.
El diodo admite equivalente como el 1N4148 o 1N4007. El trimpot es común, el resistor es de 1/8 W o mayor. Dependiendo de la inercia deseada o velocidad de respuesta del instrumento, el capacitor C1 puede ser cambiado en el rango de valores que va entre 1 uF hasta 100 uF.
Es interesante el lector hacer experimentos, pues cada instrumento tiene sus propias características y el capacitor ayuda a hacer la adaptación del circuito. Los electrolíticos pueden tener cualquier tensión de trabajo a partir de 12 voltios.
Para ajustar el aparato, conecte los puntos A y B a la salida de su sistema de sonido (hilos que van a los altavoces). A continuación, abra ligeramente el volumen y ajuste P1 hasta que el indicador oscile suavemente al ritmo de la música. Si observa que el puntero tiende a difuminar hacia el lado equivocado, invierte las conexiones del instrumento M1.
Cualquier microamperímetro con fondo de escala entre 100 uA y 0,1 mA puede ser experimentado.
LISTA DE MATERIAL
D1 - 1N4002 o equivalente - diodo de silicio
P1 - 47k ohms - trimpot
R1 - 1 k ohms, 1/8 W - resistor - marrón, negro, rojo
C1 - 1 a 47 uF / 12V - condensador electrolítico
M1 - 0-200 uA -microamperímetro común - ver el texto
Varios:
Puente de terminales, terminal de entrada para conexión (puente con tornillos), caja para montaje, hilos, soldadura, etc.




