Es un montaje experimental indicado como trabajo de ciencias, para demostraciones o incluso para el lector que desea hacer experimentos de alta tensión usando pilas, sin el peligro presentado por equipos conectados en la red de energía.
Un transformador acoplado a un vibrador puede elevar la tensión de una o más pilas hasta el punto de obtener "buenos golpes", si bien inofensivos. La tensión realmente llega a más de 400 voltios en algunos casos, pero como la corriente es muy baja, el peligro es mínimo.
Observamos que lo que es peligroso en un choque es la intensidad de la corriente (intensidad) que circula por el cuerpo de la persona y que causa daño al sistema nervioso, paralizando músculos, incluso el corazón.
La tensión es simplemente la causa de la corriente. Una tensión alta causa una corriente alta solamente si el circuito puede proporcionar esta corriente.
En el caso de la red de energía, el choque es peligroso porque la red tiene una capacidad de suministro de corriente muy alta, pudiendo por ello hacer circular tanta corriente como sea la solicitada por el "cuerpo" sometido a la descarga. En el caso de un circuito alimentado por pilas, o con limitación de corriente (un resistor de alto valor), el choque no es peligroso, pues la corriente puede ser limitada.
Es el caso de una lámpara de neón conectada a la red de energía con una resistencia de 220 k ohms o más. La corriente que pasa por la lámpara es limitada por el resistor y es tan pequeña que usted puede ser recorrido por ella, sin sentir absolutamente nada. La corriente tiene una intensidad demasiado pequeña para excitar sus nervios. La figura 1 muestra lo que ocurre.
En nuestro circuito, la producción de la alta tensión se realiza con la ayuda de un vibrador y un transformador. Si bien tenemos una intensidad de corriente suficiente para producir un choque desagradable, no es peligroso, pero el aparato debe usarse con moderación.
COMO FUNCIONA
Un transformador sólo puede alterar una tensión (y también una corriente) si funciona con corriente alterna o corriente continua pulsante, es decir, que sufra variaciones rápidas de intensidad.
Como las pilas suministran corrientes continuas puras, utilizamos un vibrador, un dispositivo electromecánico que conecta y apaga rápidamente la corriente, para que sea pulsante.
El vibrador se construye de forma rudimentaria con hilos esmaltados, clavos, tablas y pedazos de lata, no habiendo dificultades para su elaboración.
El clavo con hilo enrollado forma un electro-imán, que atrae la latina en sus proximidades, la cual conmutando la corriente entra en vibración.
La corriente del vibrador pasa por la bobina de baja tensión del transformador, induciendo así alta tensión en el otro devanado. Esta alta tensión, en realidad, no es la tensión especificada para el transformador usado, que es de 110 V o 220 V. La alta tensión depende antes de las características de conmutación del vibrador y puede variar bastante de 80 V a más de 300 V .
MONTAJE
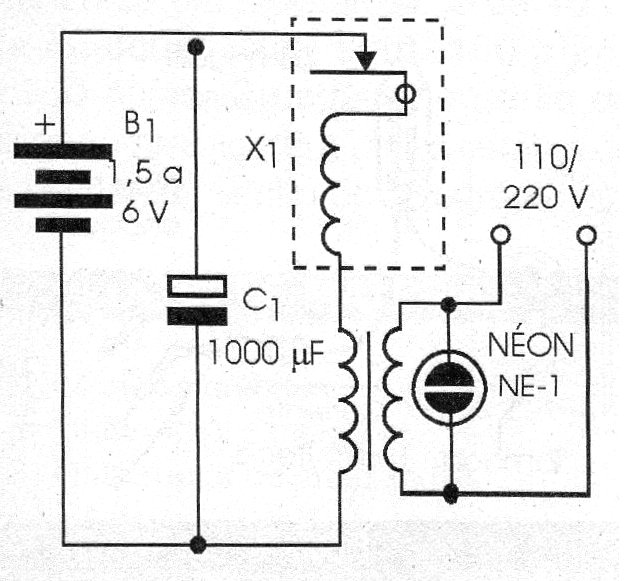
En la figura 2 tenemos el diagrama del aparato.

En la figura 3 tenemos el aspecto del vibrador. Observe que el electroimán se obtiene enrollando de 200 a 500 vueltas de alambre esmaltado fino en un clavo o tornillo que debe fijarse en la base de madera.
Las latas que quedan cerca del electroimán deben tener toda su tinta raspada para que pueda haber contacto eléctrico perfecto. Los puntos de soldadura son todos indicados y para los hilos esmaltados debemos rasparlos en el lugar en que deben ser soldados, pues al contrario la soldadura no se adhiere.
El capacitor C1, que está conectado al circuito, sirve para ayudar en la conmutación y su valor puede quedar entre 100 uF y 1 000 uF. En la figura 4 tenemos el aspecto final del montaje.
Para las pilas es conveniente utilizar un soporte. El aparato funcionará con 1 a 4 pilas medianas o grandes. No recomendamos el uso de pilas pequeñas, ya que la corriente requerida haría que se agotasen rápidamente.
El transformador utilizado puede ser de cualquier tipo que tenga un devanado primario de 110 V o 220 V y secundario de 5 a 12 volts corrientes en el rango de 100 mA a 500 mA.
PRUEBA Y USO
Para comprobar si tenemos realmente alta tensión no es interesante agarrar directamente en los hilos del transformador, pues la experiencia puede ser desagradable. Recomendamos que se encienda una lámpara de neón, como se muestra en la figura 5.
Al conectar el aparato, debemos ajustar las latas de modo que ocurra la vibración de modo automático. Cuando esto ocurra, el aparato ya debe producir alta tensión y la lámpara de neón debe encenderse.
Una vez encendida, la intensidad de la luz corresponderá a la eficiencia del aparato,
Retirando la lámpara el lector puede "experimentar" sujetar en los hilos A y B, tocándolos con mucho cuidado.
Para electrificar un objeto, basta con conectar el cable A en este objeto y el cable B a la tierra, en un tubo de agua o cualquier objeto de metal de gran tamaño.
No es conveniente dejar por largos períodos el aparato conectado pues tanto las pilas gastan rápido como también el electroimán puede calentar demasiado. El aparato debe ser demostrado y utilizado en pequeños intervalos de tiempo.
LISTA DE MATERIAL
X1 - Vibrador - ver el texto
C1 - 100 uF a 1 000 uF / 16 V - capacitor electrolítico
T1 - Transformador con un rango de 110 V o 220 V y secundario de 5 a 12 V con corriente de 100 mA a 500 mA
B1 - 1 a 4 pilas medianas o grandes
NE-1 - lámpara de neón común
Varios: hilos, soporte de pilas, material para el montaje del vibrador, etc.







