La frecuencia de la señal producida por este circuito depende de la intensidad de la luz que incide en el LDR. Será más alta cuanto mayor sea la intensidad de la luz incidente. Podemos utilizarlo en varias aplicaciones, por ejemplo, en un convertidor de luz-frecuencia (A / D) para medidas a distancia, junto con un frecuencímetro. También podemos utilizar circuitos en un sistema de alarma de luz o de presencia, con indicación dada por el sonido.
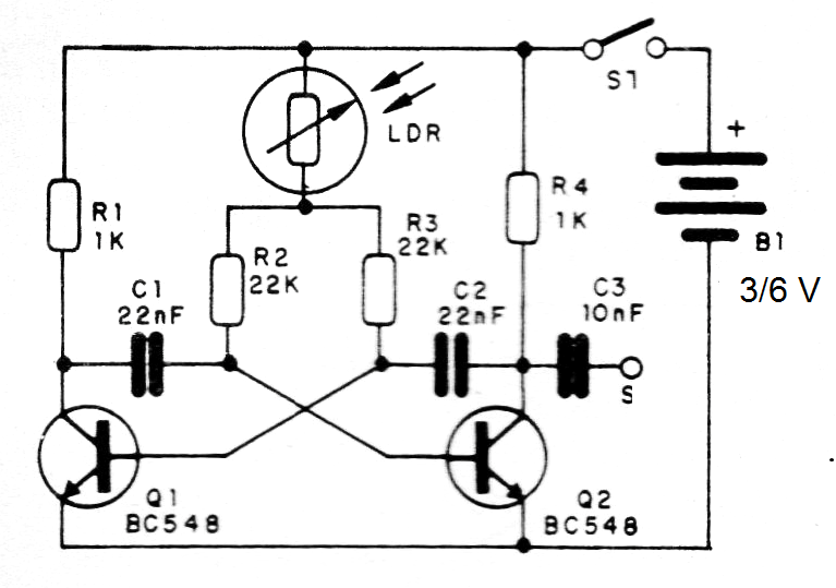
En la figura 1 tenemos el diagrama completo del multivibrador y en la figura 2 tenemos el montaje en una matriz de contactos.
Los capacitores C1 y C2 pueden tener sus valores alterados, ya que determinan la frecuencia. Los valores entre 10 y 470 nF pueden ser experimentados. Los resistores son de 1/8 W y el LDR puede ser de cualquier tipo.
La salida se puede conectar a una cápsula cerámica o a la entrada de un pequeño amplificador. También se puede conectar a un frecuencímetro. Para los valores de los componentes de datos en el circuito la frecuencia es alrededor de 1 kHz.
Lista de material
Q1, Q2 - BC548 - transistores NPN de uso general
LDR-LDR común
B1- 3 V o 6 V - 2 o 4 pilas pequeñas
S1 - Interruptor simple
C1, C2 - 22 nF - capacitores cerámicos o poliéster - ver el texto
R1, R4 - 1 k ohms x 1/8 W - resistores - marrón, negro, rojo
R2, R3 - 22k x 1/8 W- resistores - rojo, rojo, naranja
Varios: matriz de contactos, soporte de pilas, hilos, soldadura, etc.





