Este circuito simple da un efecto de luz interesante para su equipo de sonido. En la salida al altavoz de cualquier aparato de sonido, hace que una lámpara incandescente parpadee en el ritmo de la música.
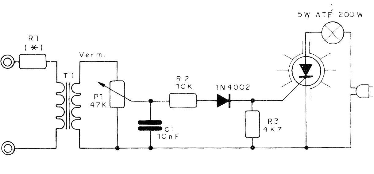
En la figura 1 tenemos el circuito completo de la luz rítmica, que puede instalarse en una caja de plástico o madera.
Observe que el SCR TIC106 debe estar dotado de un pequeño radiador de calor que consiste en una placa de metal doblada en U. El circuito puede controlar lámparas hasta 200 W sin problemas y el SCR debe ser el TIC106 B si la red es de 110 V y la red es de 110 V y TIC106D si la red es de 220 V.
P1 es un control de sensibilidad que debe ajustarse para que la lámpara parpadee en el ritmo de la música según el volumen del aparato de sonido.
En el montaje, tenga cuidado con la posición del SCR y la polaridad de D1. El transformador es del tipo de 110 V / 220 V con secundario de 6 a 12 V y corriente de 100 mA a 300 mA.
La conexión de la entrada se realiza en el propio altavoz y la resistencia R1 depende de la potencia del sonido, según la siguiente tabla:
Potencia / R1
Hasta 25 W- 47 ohms x 1 W
25 a 50 W - 100 ohms x 1 W
Más de 50 W - 220 ohms x 1 W
Lista de material:
SCR - TIC106B o D - según la red
D1 - 1N4004 o 1N4007- diodo de silicio
P1 - 47k - potenciómetro
R1 - ver texto
R2 - 10 k ohms x 1/8 W-resistor (marrón, negro, naranja)
R3 - 4k7 ohms x 1/8 W - resistencia (amarillo, violeta, rojo)
C1- 10 nF - capacitor de cerámica o poliéster
T1- Transformador - ver texto
Varios:
Puente de terminales, cable de alimentación, cable de alimentación, cables, soldadura, etc.





