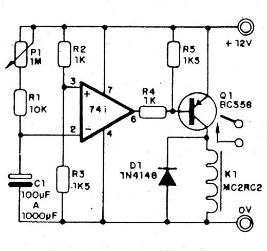
El circuito presentado en la figura es bastante interesante: activa el rele después de transcurrido un cierto tiempo en que se establece la alimentación. Este tiempo se ajusta con P1 y es dado justamente por la constante de tiempo de P1,R1 y C1. El valor de C1 debe, pues, ser elegido de acuerdo con la faja de tiempo que se pretende para el accionamiento. Valores típicos van de la faja de 100uF a 1000uF. Para valores mayores, por arriba de 470uF, por ejemplo, será necesario tener cuidado con la calidad del capacitor, pues la existencia de fugas puede perjudicar su funcionamiento, impidiendo que se cierre el relé en el intervalo deseado. El potenciômetro P1 también puede ver limitado su valor por la eventual existencia de fugas en el capacitor




