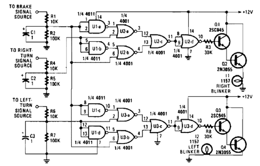
Este circuito para coches de la época se encontró en una revista Popular Electronics de los años 90. El circuito se basa en la lógica CMOS, común incluso hoy en día.
Este es un montaje para quien está aprendiendo electrónica o necesita un circuito simple que haga...
Un aparato transistorizado, fácil de montar para el lector que gusta de los desafíos y aventuras....
Encontramos este circuito en una antigua publicación argentina de la década de 1970. El transistor...