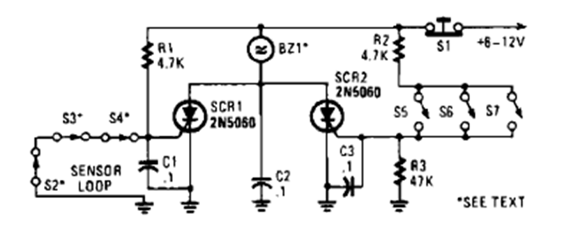
Esta alarma con sensores en serie y paralelo se encontró en la Enciclopedia de Circuitos Electrónicos de 1995. El número de sensores se puede modificar a voluntad.
Este es un montaje para quien está aprendiendo electrónica o necesita un circuito simple que haga...
Un aparato transistorizado, fácil de montar para el lector que gusta de los desafíos y aventuras....
Encontramos este circuito en una antigua publicación argentina de la década de 1970. El transistor...