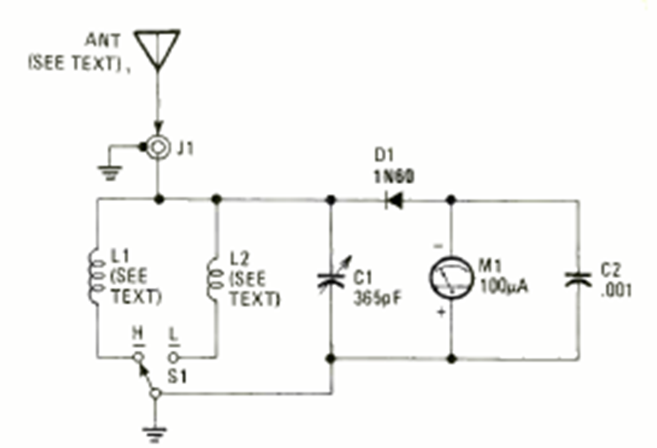
Este circuito simple para el rango de 3 a 30 MHz se encontró en el Elecrronics Experimenter Handbook Special Projects de 1983. Las bobinas constan de 10 y 50 vueltas de 32 hilos en una resistencia de 1 M x ½ W.
Con pocas resistencias podemos obtener muchos valores para experiencias, cambiando la manera de...
Esta alarma emplea sólo tres componentes: un juego de pilas, un relé y un interruptor de presión que...
Un tipo de fuente de alimentación bastante simple y útil es la que no hace uso del transformador....