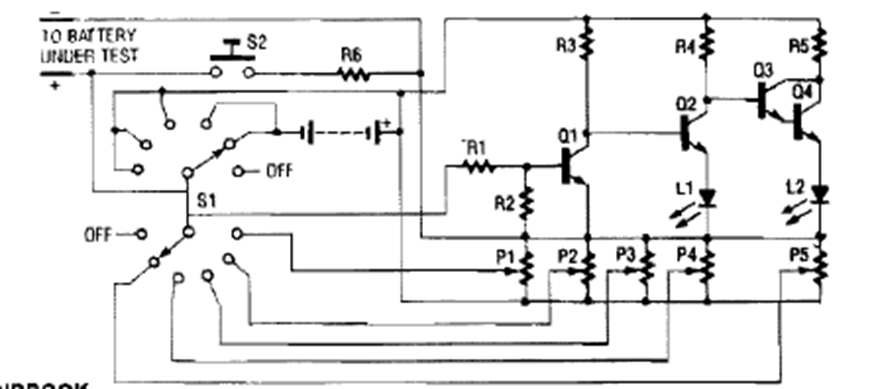
Este circuito de prueba se encontró en el Hobbyst Handbook (PE) en una edición de la década de 1990. El circuito prueba la batería bajo carga. La carga, al seleccionarse la batería mediante el interruptor.
Una forma de obtener una señal de frecuencia exacta es con el uso de un oscilador controlado por cristal...
El circuito mostrado en la figura 1 acciona un relé un cierto tiempo después de cerrar la llave...
Podemos mostrar cómo funciona un amplificador operacional montando un simple circuito con el 741....