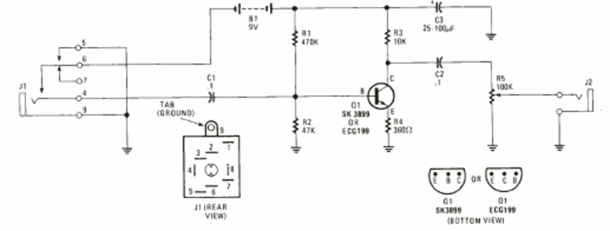
Encontramos este circuito en los Radio Electronics Special Projects de 1992. El circuito enciende la alimentación cuando se inserta el enchufe del micrófono en el conector de entrada.
Una forma de obtener una señal de frecuencia exacta es con el uso de un oscilador controlado por cristal...
El circuito mostrado en la figura 1 acciona un relé un cierto tiempo después de cerrar la llave...
Podemos mostrar cómo funciona un amplificador operacional montando un simple circuito con el 741....