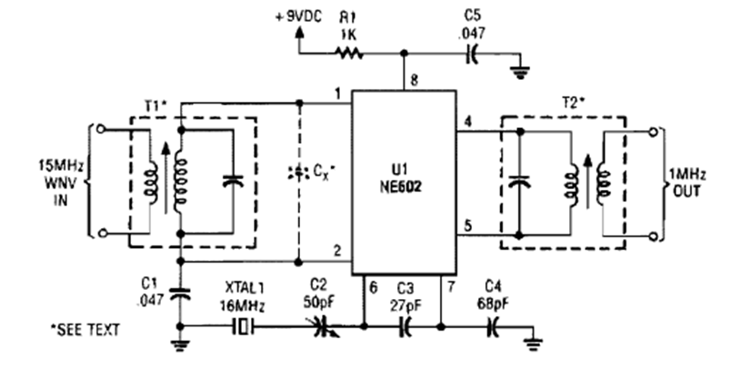
Este convertidor para señales de estaciones de referencia horaria WWV se encontró en Popular Electronics. Las señales de 15 MHz ahora se reciben en una radio de onda media a 1 MHz.
Este oscilador produce una señal rectangular en el rango de 100 Hz a 1 kHz pero con el cambio del...
Este circuito fue obtenido en una publicación de 1980, pero puede montarse aún hoy con facilidad, pues...
La frecuencia de la señal rectangular producida por este oscilador depende de la cantidad de luz...