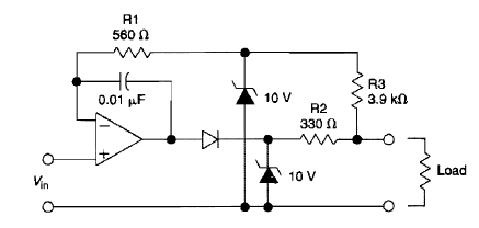
Encontramos este circuito de protección para amplificadores operacionales en la Enciclopedia de Circuitos Electrónicos, volumen 5, de 1995. El circuito protege contra corriente o tensión excesivas en el circuito de carga.

Encontramos este circuito de protección para amplificadores operacionales en la Enciclopedia de Circuitos Electrónicos, volumen 5, de 1995. El circuito protege contra corriente o tensión excesivas en el circuito de carga.
