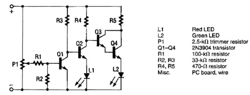
Este circuito de grado automotriz se encontró en una Electronics Hobbyst de 1991. Los transistores son de propósito general. P1 ajusta la tensión de monitoreo.
Este oscilador produce una señal rectangular en el rango de 100 Hz a 1 kHz pero con el cambio del...
Este circuito fue obtenido en una publicación de 1980, pero puede montarse aún hoy con facilidad, pues...
La frecuencia de la señal rectangular producida por este oscilador depende de la cantidad de luz...