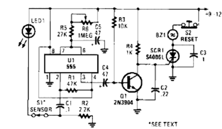
Este circuito basado en el 555 se obtuvo de la Enciclopedia de Circuitos Electrónicos de 1995, volumen 5. Activa un SCR cuando se corta el transistor.
Este oscilador produce una señal rectangular en el rango de 100 Hz a 1 kHz pero con el cambio del...
Este circuito fue obtenido en una publicación de 1980, pero puede montarse aún hoy con facilidad, pues...
La frecuencia de la señal rectangular producida por este oscilador depende de la cantidad de luz...