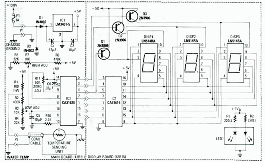
Utilizando un par de convertidores A/D de período, este circuito de 3 dígitos fue encontrado en la revista Radio Electronics Experimenter de 1992. El sensor es un termistor.
Este oscilador produce una señal rectangular en el rango de 100 Hz a 1 kHz pero con el cambio del...
Este circuito fue obtenido en una publicación de 1980, pero puede montarse aún hoy con facilidad, pues...
La frecuencia de la señal rectangular producida por este oscilador depende de la cantidad de luz...