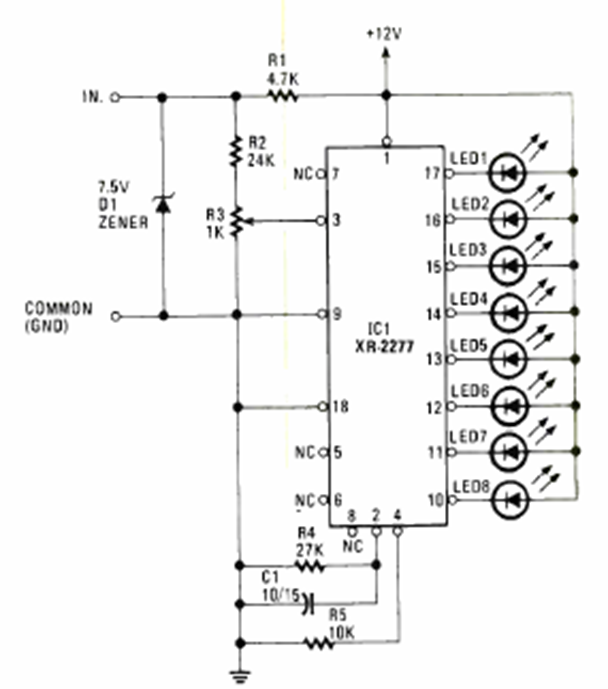
Encontramos este circuito en la edición de Electronics Experimenter Special Projects de 1983. El circuito se basa en un gráfico de barras de aquella época que hoy en día no es muy común.

Encontramos este circuito en la edición de Electronics Experimenter Special Projects de 1983. El circuito se basa en un gráfico de barras de aquella época que hoy en día no es muy común.
