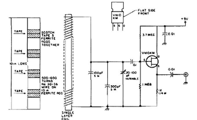
Este circuito para el rango de 60 kHz se encontró en la revista 73 y se publicó en 1995. El circuito utiliza un bastón de ferrita. Observe la dirección de los devanados de la bobina.
Este oscilador produce una señal rectangular en el rango de 100 Hz a 1 kHz pero con el cambio del...
Este circuito fue obtenido en una publicación de 1980, pero puede montarse aún hoy con facilidad, pues...
La frecuencia de la señal rectangular producida por este oscilador depende de la cantidad de luz...