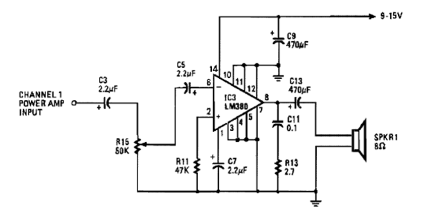
Este es un canal de un amplificador estéreo de pequeña potencia con el LM386 sugerido por la Radio Electrónics Experimenter en la edición de 1981. La potencia es de unos pocos watts.
Este oscilador produce una señal rectangular en el rango de 100 Hz a 1 kHz pero con el cambio del...
Este circuito fue obtenido en una publicación de 1980, pero puede montarse aún hoy con facilidad, pues...
La frecuencia de la señal rectangular producida por este oscilador depende de la cantidad de luz...