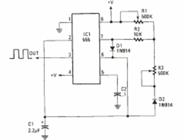
Este oscilador de 60 Hz con dos configuraciones se encontró en los proyectos especiales de Radio Experimenter de 1993. El circuito tiene los rangos de tiempo dados por C1 que se pueden cambiar.
Este oscilador produce una señal rectangular en el rango de 100 Hz a 1 kHz pero con el cambio del...
Este circuito fue obtenido en una publicación de 1980, pero puede montarse aún hoy con facilidad, pues...
La frecuencia de la señal rectangular producida por este oscilador depende de la cantidad de luz...