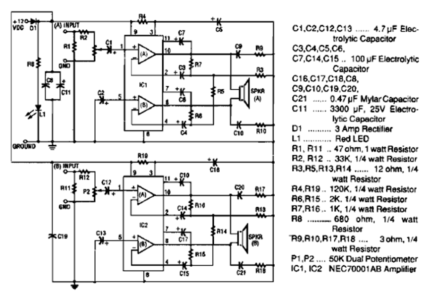
Este amplificador estéreo de 20 W por canal, que utiliza circuitos integrados NEC 70001 AB, se republicó en el PE-Hobbyist Handbook en una edición de la década de 1995. El circuito aparece en varias publicaciones. Esta es de 1995.
Este oscilador produce una señal rectangular en el rango de 100 Hz a 1 kHz pero con el cambio del...
Este circuito fue obtenido en una publicación de 1980, pero puede montarse aún hoy con facilidad, pues...
La frecuencia de la señal rectangular producida por este oscilador depende de la cantidad de luz...