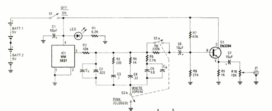
Encontramos este circuito en el Electronics Experimenter Handbook edición 1983. El circuito utiliza componentes comunes y tiene varias características.
Este oscilador produce una señal rectangular en el rango de 100 Hz a 1 kHz pero con el cambio del...
Este circuito fue obtenido en una publicación de 1980, pero puede montarse aún hoy con facilidad, pues...
La frecuencia de la señal rectangular producida por este oscilador depende de la cantidad de luz...