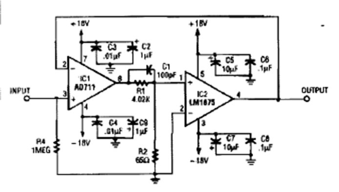
Encontrado en la revista Electronics Now en un número de los años 90, este circuito se diferencia del anterior porque invierte la fase de la señal aplicada al altavoz. La fuente debe ser simétrica a 18 V.
Este oscilador produce una señal rectangular en el rango de 100 Hz a 1 kHz pero con el cambio del...
Este circuito fue obtenido en una publicación de 1980, pero puede montarse aún hoy con facilidad, pues...
La frecuencia de la señal rectangular producida por este oscilador depende de la cantidad de luz...