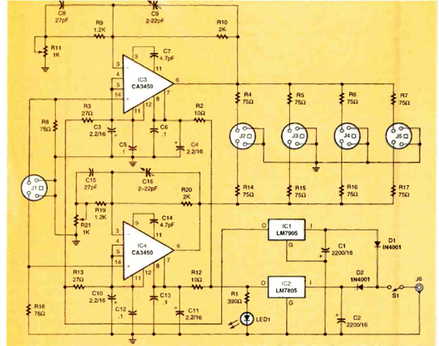
Encontramos este amplificador de vídeo con circuitos integrados de la época en la revista Eletrconics Now de julio de 1998. El circuito es para señales analógicas.
Este oscilador produce una señal rectangular en el rango de 100 Hz a 1 kHz pero con el cambio del...
Este circuito fue obtenido en una publicación de 1980, pero puede montarse aún hoy con facilidad, pues...
La frecuencia de la señal rectangular producida por este oscilador depende de la cantidad de luz...