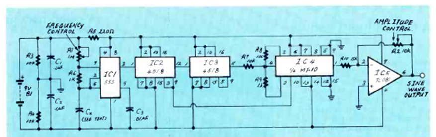
Este circuito genera señales sinusoidales que dependen del oscilador de entrada. El circuito es de una Radio Elecrtronics de abril de 1988. Las señales están en el rango de unos pocos cientos de kilohertz.
Este oscilador produce una señal rectangular en el rango de 100 Hz a 1 kHz pero con el cambio del...
Este circuito fue obtenido en una publicación de 1980, pero puede montarse aún hoy con facilidad, pues...
La frecuencia de la señal rectangular producida por este oscilador depende de la cantidad de luz...