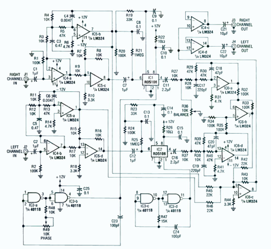
Encontramos este circuito de efectos de voz en la revista Radio Electronics de septiembre de 1990. El circuito funciona con señales provenientes de dos entradas de un sistema estéreo.
Este circuito se puede ajustar para disparar y producir un sonido cuando la luz en el LDR se corta...
Este oscilador Hartley experimental produce señales en el rango de 500 kHz a 1,5 MHz, sirviendo para...
Describimos un simple temporizador o temporizador que puede encender o apagar un aparato eléctrico o...