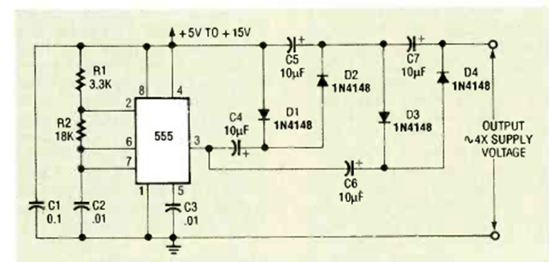
Este circuito fue encontrado en la revista Radio Electronics de diciembre de 1992. La corriente es de unos pocos mA y la tensión de entrada máxima es de alrededor de 12 V.
Este oscilador produce una señal rectangular en el rango de 100 Hz a 1 kHz pero con el cambio del...
Este circuito fue obtenido en una publicación de 1980, pero puede montarse aún hoy con facilidad, pues...
La frecuencia de la señal rectangular producida por este oscilador depende de la cantidad de luz...